Push Pull Transformers

Push-Pull Transformers


Push Pull Transformers

Lithentic offers Off The Shelf Through hole Push-Pull transformers for switching, isolation, capacitor charging, impedance matching, gate drive or pulse transformer applications. Our power converter transformers for DC-DC and AC-DC voltage conversion are appropriate in industrial, automotive and high-reliability environments. Our push-pull transformers are specially designed to achieve tight coupling and come in a wide range of impedance ratios for low power applications.
Please reach out to us for custom magnetic design, we have state of the art design and testing setup supported by experienced team to resolve your every need.

Typical Application Scenarios

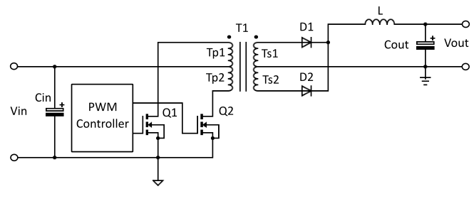
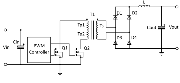
Push-Pull Converter


Push-Pull Converter Circuit Diagram

Push-Pull Converter with Center-tapped secondary


Flyback Converter with Primary side Feedback Circuit Diagram